本公司代理的醫療用電源隔離盤廠牌為SQUARED。
本電源隔離分電盤(ISOLATEDPOWERCENTRES簡稱隔離盤IPC),其主要安裝於開刀房、加護病房及恢復室等。
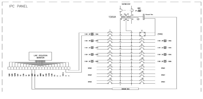
本隔離盤包含隔離外箱(ISOLATIONSPANEL)、隔離變壓器(ISOLATIONTRANSFORMER)一、二次側無熔絲開關、隔離監視器(LINEISOLATIONMONITOR簡稱LIM)及其配線附件等。

1.概述
隨著電子醫療設備在醫院領域的廣泛應用,漏電流對病人構成的威脅也越來越大,尤其是那些生命攸關的場所,病人在手術中或麻醉狀態下,各種電極、感測器直接插入 人體內,微小的漏電流都有可能導致病人觸電身亡。本隔離盤適用於醫院之開刀房、加護病房、產房、育嬰室或燙傷中心等範圍,作為配電系統之安全隔離用,防止漏電 電流對抵抗力較弱之人體造成傷害。
隔離盤系統包含1台隔離變壓器(Shield Isolation Transformer),一次側模殼式斷路器1只,二次側模殼式斷路器8只及1只線路隔離監視器(Line Isolation Monitor),結線圖如下所示:

2.系統配置建議
標準之隔離盤有8迴路可供負載引接。建議於開刀房配置時,其中4迴路供四面牆壁之插座使用,1迴路接手術燈,1迴路接看片燈或計時裝置,剩餘2迴路預留作其他設備及儀器使用,參考之開刀房隔離盤配置如下圖:

3.主要配件
3.1 隔離變壓器(Shield Isolation Transformer)隔離變壓器為乾式,H級絕緣(耐溫220℃),變壓器於一次與二次間具備靜電遮蔽,且變壓器與外箱共同接地,以避免兩側之繞線直接短路,隔離變壓器並可吸收諧波,防止突波。
隔離變壓器皆為單相,60Hz,額定及容量如下表:
| 容量(KVA) | 10KVA |
| 一次電壓(V) | 220V或110V |
| 二次電壓(V) | 220V、110V、220/110V |

3.2 線路隔離監視器(Line Isolation Monitor,簡稱LIM)
3.2.1監視器可同時偵側二條電源對地之阻抗,檢出不正常之漏電電流,LIM有測試開關及漏電電流錶,紅色指示燈指示危險狀況,綠色指示燈指示安全狀況,電錶指示漏電電流,警報設定點為 2mA 或 5mA 。


3.2.2 監視器( LIM )之操作電壓為 100~240VAC 在 50 或 60Hz,其結線圖如下所示:
3.3.3 模殼式斷路器(Molded Case Circuit Breaker)
斷路器為插入式 ( plug-on type ),由一往復撥動式手把 ( Toggle type handle ) 操作,且有一快速投入,快速斷路 ( Quick make quick break ) 過中線之切換機構。斷路器附跳脫指示(紅色)。所有斷路器皆為2極( pole ),短路容量 10KA。隔離變壓器之二次側皆為 120V,可引接至負載之斷路器共有8只,額定為 20A。
變壓器一次側之斷路器,即為主斷路器,其額定如下表:
| 容量 ( KVA ) | MAINNFB |
| 220V | 60A |
| 110V | 80A |

4.隔離盤(IPC)安裝說明
4.1 安裝
先將箱體固定於牆壁,再裝上插入式斷路器底座。分路斷路器須依負載表位置插入於底座,各主要配件安裝前先檢查是否已有破損或裂痕,並須先作表面清潔後再作安裝。確定箱內元件都已安裝完成,最後再將不銹鋼面板裝上。
4.2 配線
所有回路之電力線,含電源側及負載側,皆以交連PE電纜(PEX Cable)配線,以減少洩漏電流。配線完成後檢查端子是否鎖緊,並核對結線圖,檢視配線是否正確(含電力及控制線)。
4.3 送電
送電前先核對變壓器一次電源是否正確,檢測絕緣是否良好,各主要配件是否有水份浸入痕跡,如無問題才可送電。送電後將所有斷路器切入”ON”位置,並測試線路隔離監視器(LIM)是否正常,按下監視器之”TEST”按鈕,可模擬漏電狀況發生,同時警報聲響起,表示監視器一切正常。

5.經銷證明

